Engineering
Bootshebeanlage für Sportboote in Bootshäusern
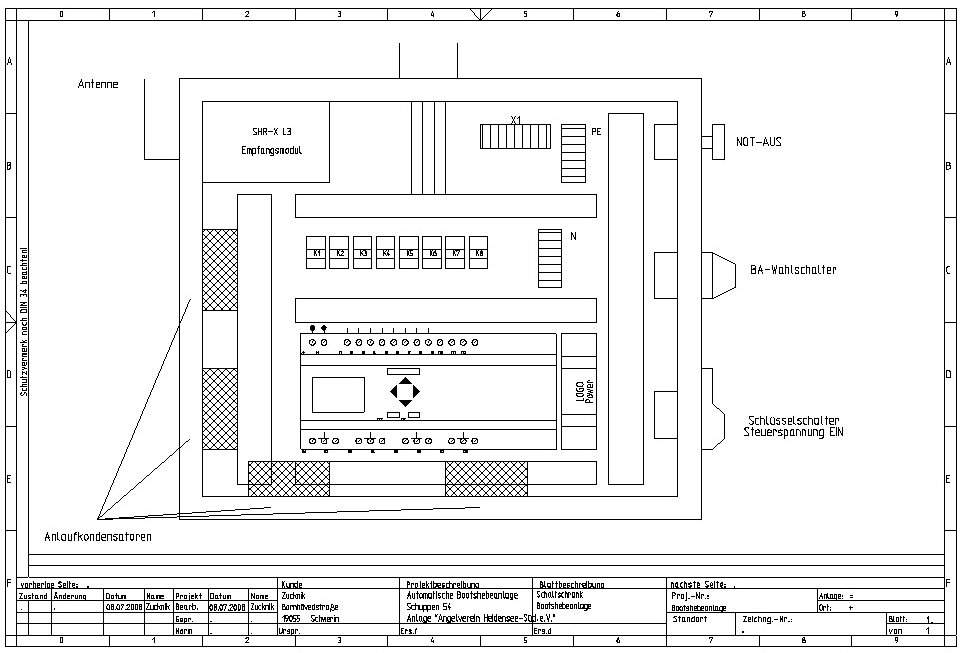
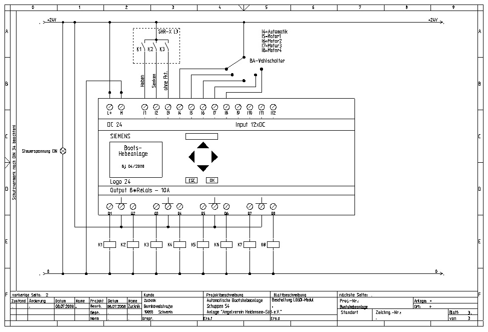
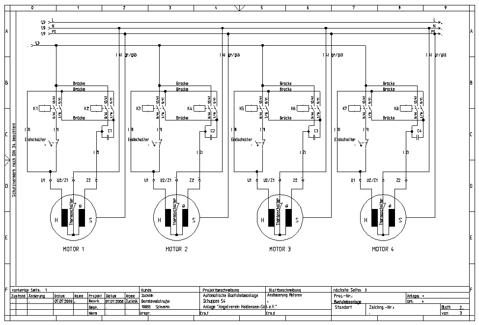
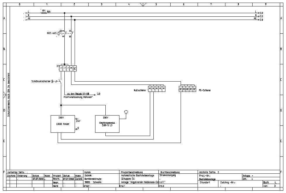
Hier ist ein Beispiel für eine automatische Bootshebeanlage zu sehen. Es stand die Aufgabe, ein Sportboot in Zeiten der Nichtnutzung komfortabel und unkompliziert aus dem Wasser heben zu können, damit der Bootskörper vor Beschädigungen durch Wellenschlag und Osmosereaktionen, sowie vor Algenbewuchs geschützt wird. Die Lösung dieser Aufgabe ist hier dargestellt. Es werden 4 elektromechanische Seilzüge, die mit Tragschlaufen verbunden sind und über Umlenkrollen laufen, zum Heben und Senken des Bootes verwendet. Die Seilzüge werden synchron gefahren, damit die Bewegung möglichst konstant verläuft und keine dynamischen Schwingungen in der Tragkonstruktion entstehen. Außerdem wurde realisiert, dass für Wartungs- und Reparaturzwecke jeder Seilzug einzeln betätigt werden kann. Bedient wird die Bootshebeanlage über eine codierte UHF-Funkfernbedienung und einen Betriebsarten-Wahlschalter am Schaltkasten. Als Steuerung kommt eine LOGO! der Fa. Siemens zum Einatz. Die Anlage ist seit April 2008 störungsfrei in Betrieb.